Судовой дизельный двигатель на катер морского исполнения мощностью 68 л.с фабрики Weichai Power. Установки на небольшие водоизмещающие суда под ведомством ГИМС.
Судовой дизельный двигатель на катер морского исполнения мощностью 68 л.с фабрики Weichai Power. Установки на небольшие водоизмещающие суда под ведомством ГИМС.
Технические характеристики
|
Модель двигателя |
WP4.1C68-15 |
|
Режим эксплуатации |
тяжелый |
|
Размер фланца корпуса и маховика |
SAE 1/14 |
|
Мощность двигателя номинальная, кВт (л.с.) |
50 (68) |
|
Мощность двигателя максимальная, кВт (л.с.) |
55 (74,8) |
|
Частота вращения двигателя номинальная, об/мин |
1500 |
|
Частота вращения двигателя максимальная, об/мин |
1547 |
|
Максимальный крутящий момент, Н*м |
371(1302 мин-1) |
|
Тип двигателя |
рядный, 4-х тактный, турбированный, механический ТНВД |
|
Пуск двигателя |
электростартерный |
|
Система охлаждения |
водяная, двухконтурная |
|
Объём двигателя, Л |
4,1 |
|
Диаметр поршня, мм |
105 |
|
Ход поршня, мм |
118 |
|
Число цилиндров-количество клапанов |
4-8 |
|
Степень сжатия |
17,5:1 |
| Обороты холостого хода, мин-1 | 650 |
|
Стандарт эмиссии |
IMO Tier ? |
|
Удельный расход топлива, гр/кВт*ч |
215 |
|
Обьём масла, Л |
20 |
|
Удельный расход масла, гр/кВт*ч |
менее 0,4 |
|
Марка топлива по ГОСТ |
305-82 Л-0,2; Л-0,5; З-0,2; З-0,5 |
|
Марка масла в двигателе: |
SAE 15W40CF4/SG |
|
Направление вращения коленвала (со стороны маховика) |
против часовой стрелки |
|
Система контроля защиты и АПС |
Weichai серия ED211 |
|
Степень защиты |
IP-55 |
|
Параметры срабатывания сигнализации двигателя |
по протечке топлива, по максимальной частоте вращения, по минимальному давлению масла, по максимальной температуре воды, по максимальной температуре масла |
|
Параметры срабатывания защиты двигателя |
по максимальной частоте вращения, по минимальному давлению масла |
|
Уровень шума, Дб |
95,7 |
| Минимальный диаметр выхлопной трубы, мм | 60 |
| Температура газов на выходе, ? |
≤550 |
| Максимальное обратное давление газов, кПа | 4,3 |
| Генератор, В/А | 28/35 |
| Емкость АКБ, А/час | 15 |
|
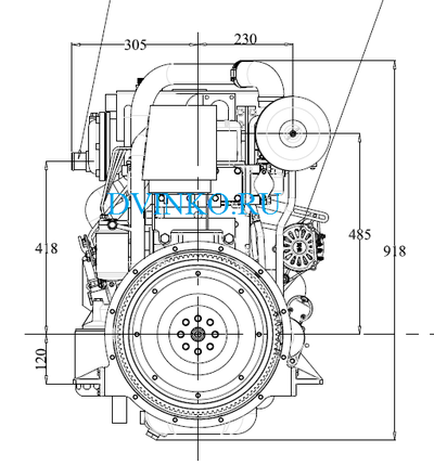
Габаритные размеры агрегата, Д*Ш*В, мм |
1062×918×625 |
| Вес агрегата, кг | 400 |
Описание стандартной комплектации двигателя:
Система контроля и защиты двигателя, соединительный кабель, шкив отбора мощности водо-водяной холодильник со встроенным термостатом и расширительным баком, центробежный насос внутреннего контура, самовсасывающий насос наружнего контура, водомасляный охладитель, масляный фильтр сепаратор, ТНВД P-типа, турбокомпрессор оптимизированный для морского применения, компенсатор выхлопного коллектора, двухпроводная электрическая схема с зарядным генератором, электростартер 24В, комплект ЗиП(запасные форсунки, фильтра, прокладки), набор инструментов, деревянная упаковка, технические документы (сертификат, формуляр, инструкция по эксплуатации).
|
Мощность
|
68 л.с. |
|
Номинальная частота вращения
|
1500 об/мин |
|
Тактность двигателя
|
4-х тактный |