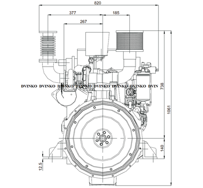
Судовой двигатель WP4C82-15

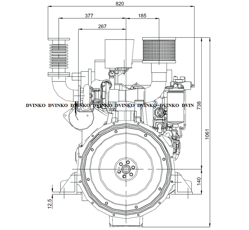
Судовой двигатель WP4C82-15

Первый слабофорсированный судовой дизель в серии четырехцилиндровых Deutz. По немецки прочный, надежный и металлоёмкий, имеет классическое сочетание объема, мощности и оборотов соответствующее настоящему судовому дизелю большого ресурса. Данный дизель устанавливается на рыболовных судах МСП и ССП, служебно-разъездныхсудах, на катера типа Метчик, ТБС, СМБ-40, взамен двигателя ГОСТ 4Ч10,5/13 (МТЗ-80, Д-240, Д-243), так же на новые строящиеся суда.

Первый слабофорсированный судовой дизель в серии четырехцилиндровых Deutz. По немецки прочный, надежный и металлоёмкий, имеет классическое сочетание объема, мощности и оборотов соответствующее настоящему судовому дизелю большого ресурса. Данный дизель устанавливается на рыболовных судах МСП и ССП, служебно-разъездныхсудах, на катера типа Метчик, ТБС, СМБ-40, взамен двигателя ГОСТ 4Ч10,5/13 (МТЗ-80, Д-240, Д-243), так же на новые строящиеся суда.