Самый недорогой судовой дизельный двигатель WD615 WD10C312-18 аналог Steyr подходит для установки на буксирные служебные пасажирские рыболовные суда на замену 3Д12С. Рейтинг Р1- для тяжелого постоянного режима эксплуатации без ограничений. Подходит для установки на буксирные суда БМ, БТ "АНГАРА" проект Р-96, буксир проекта ЛС-56А.............
Технические характеристики
| Модель двигателя |
WD10C312-18 (Steyr) |
|
|
тяжелый |
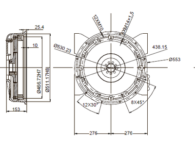
| Размер фланца корпуса и маховика | SAE 1/14 |
| Мощность двигателя номинальная, кВт (л.с.) | 230(312) |
| Частота вращения двигателя, об/мин | 1800 |
| Тип двигателя |
4-х тактный, турбированный, c интеркуллером, с прямым впрыском топл. |
| Пуск двигателя | электрический стартер (воздушный пуск) |
| Охлаждение | водяное, двухконтурное |
| Диаметр поршня, мм | 126 |
| Ход поршня | 130 |
| Число и расположение цилиндров | 6-и цилиндровый, рядный |
| Объём двигателя, л | 9,73 |
| Степень сжатия | 17:1 |
| Мин. скорость вращения, об/мин | 675 |
| Мин. удельный расход топлива, гр/кВт*ч | 196 |
| Мин. удельный расход масла, гр/кВт*ч | 0,8 |
| Марка топлива по ГОСТ 305-82 | Л-0,2; Л-0,5; З-0,2; З-0,5 |
| Марка масла в двигателе: | М14Д2; М14Е2; М16Г2; М16Д2 (SAE 15W40CF4/SG) |
| Направление вращения коленвала (со стороны маховика) | против часовой стрелки |
| Последовательность впрыска |
1 - 5 - 3 - 6 - 2 - 4 |
| Уровень шума, Дб | <117 |
| Стандарт выбросов IMO | Tier II |
| Тип смазки | мокрый картер |
| Количество масла, л | 24 |
| Электрическое питание, В | 24 |
| Модель системы АПС и защиты двигателя | WEICHAI серия ED211 с пультом ДУ |
| Параметры срабатывания сигнализации двигателя |
по протечке топлива, по максимальной частоте вращения, по минимальному давлению масла, по максимальной температуре воды, по максимальной температуре масла |
| Параметры срабатывания защиты двигателя |
по максимальной частоте вращения, по минимальному давлению масла |
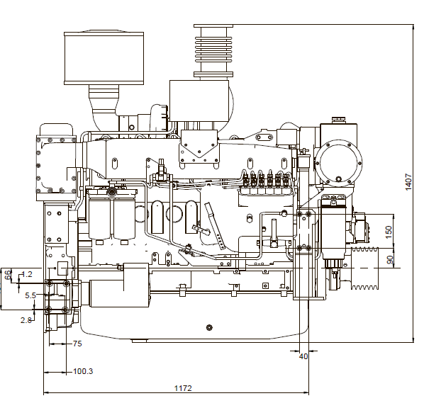
| Габаритные размеры агрегата, Д*Ш*В, мм |
1895*948*1176 |
| Масса агрегата, кг | 1056 |
| Наработка до среднего ремонта, час | 15 000 |
| Наработка до капитального ремонта, час | 30 000 |
Описание стандартной комплектации двигателя:
Система контроля, защиты и АПС двигателя серия ED211, соединительный кабель 25 метров, пульт ДУ с соединительным экранированным кабелем, шкив отбора мощности, водо-водяной холодильник со встроенным термостатом и расширительным баком, центробежный насос внутреннего контура, насос забортной воды системы охлаждения наружного контура, водомасляный охладитель, два масляных фильтра с возможностью переключения и замены на ходу, топливный фильтр-влагоотделитель, ТНВД P-типа, двухконтурные топливные трубопроводы со сборником и датчиком утечки топлива, эл.-магнитный клапан останова двигателя, два топливных фильтра тонкой очистки с возможностью переключения и смены на ходу, моющийся воздушный фильтр, турбокомпрессор в изолированном кожухе, промежуточный охладитель наддувочного воздуха охлаждаемый забортной водой, изолированный выпускной коллектор, компенсатор выхлопного коллектора, двухпроводная электрическая схема с зарядным генератором, электростартер 24В, набор инструментов, комплект ЗиП (запасные, фильтра, прокладки), двигатель на транспортировочных лапах закреплен на поддоне и упакован в фанерный ящик, технические документы (формуляр, инструкция по эксплуатации двигателя, инструкция по эксплуатации панели управления и АПС, каталог ЗиП).
|
Мощность
|
312 л.с. |
|
Номинальная частота вращения
|
1800 об/мин |
|
Тактность двигателя
|
4-х тактный |
|
Производитель
|
Steyr |
|
Серия WD10C
|
есть |