Судовой дизель-редукторный агрегат ДРА 257/1500

Судовой дизель-редукторный агрегат ДРА 257/1500

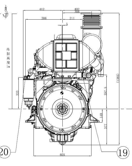
Мощный экономичный ДРА в 24-клапанном исполнении с улучшенным КПД с расходом топлива 194 гр/кВт*ч, идеально подходит для замены старого 3Д12, имеет огромный крутящий момент на средних и номинальных оборотах. Данный ДРА пользуется спросом среди профессионалов устанавливается на буксиры БМ, БТ проект Р-96 Ангара, проект 433, лоцманский катер проект 1710, проект 1459, пассажирское судно проект 873 и др....

Мощный экономичный ДРА в 24-клапанном исполнении с улучшенным КПД с расходом топлива 194 гр/кВт*ч, идеально подходит для замены старого 3Д12, имеет огромный крутящий момент на средних и номинальных оборотах. Данный ДРА пользуется спросом среди профессионалов устанавливается на буксиры БМ, БТ проект Р-96 Ангара, проект 433, лоцманский катер проект 1710, проект 1459, пассажирское судно проект 873 и др....

Удалить товар

Вы точно хотите удалить выбранный товар? Отменить данное действие будет невозможно.

Похожее оборудование

Удалить товар

Вы точно хотите удалить выбранный товар? Отменить данное действие будет невозможно.