Судовой дизель-редукторный агрегат ДРА 140/1500

Судовой дизель-редукторный агрегат ДРА 140/1500

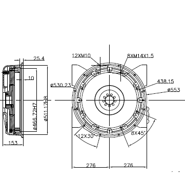
 ДРА с двигателем Steyr WD10C190-15 - новая версия судового двигателя WD615.С-24, применяется для замены старых главных двигателей 3Д6С на различных морских и речных пассажирских прогулочных, транспортных, рыболовных судах проектов Р-376 тип "Ярославец", Р-51Э тип "Москва", сейнер проект 1338К, 1338П, тип Нельма (МРС-150) и др

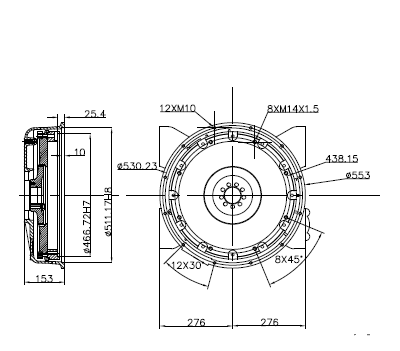
 ДРА с двигателем Steyr WD10C190-15 - новая версия судового двигателя WD615.С-24, применяется для замены старых главных двигателей 3Д6С на различных морских и речных пассажирских прогулочных, транспортных, рыболовных судах проектов Р-376 тип "Ярославец", Р-51Э тип "Москва", сейнер проект 1338К, 1338П, тип Нельма (МРС-150) и др

Удалить товар

Вы точно хотите удалить выбранный товар? Отменить данное действие будет невозможно.

Похожее оборудование

Удалить товар

Вы точно хотите удалить выбранный товар? Отменить данное действие будет невозможно.